Wireless ATC measurement system
Product features
Measuring System for general-purpose machines
- Reduced equipment costs by consolidating measurement processes on the same machine
- Wireless ATC plug-in measurement with mechatronics technology
No need for troublesome wiring and piping. - Device can be mounted with an interface shank suitable for machine you want to use.
- Automatic feedback measurement is realized in combination with the correction system.
Easy management of measurement results as trend management and traceability of workpieces
Equipped with data LAN output function
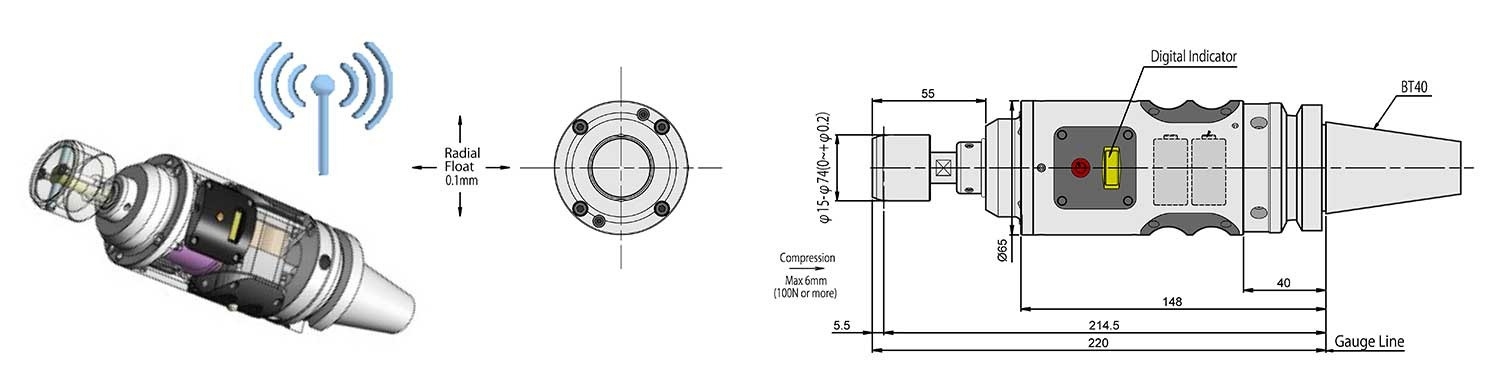
Small diameter design
Target measurement hole diameter: φ15 to φ74 mm (measurement range with the same probe 0.2 mm φ) Weight ≒ 2.7 kg (BT40 shank)
Large diameter design
Target measurement hole diameter: φ75 to φ100 (Measurement range with the same probe 2 mmφ) Weight ≒ 3.2 kg (BT40 shank)
Shank specifications
BT40/50, HSK63/100A, UTS6350/10080 *φ32 straight shank type shape is also possible.
The shank part of the measuring head can be replaced with the shank shape of BT or HSK or UTS with two-face restraint.
